先日の記事「カツミキーヤーEK-129を導入してみた」でご紹介しましたが、IC-7800にキーヤーをつなぐことで「縦ブレ電鍵」と「パドル」がいつでも使える様になりました。
今回は、このキーヤーをセレクターで切り替えて、他の無線機でも使える様にしました。
さらに、入力も2系統にして、キーヤーの他にDSCW(パソコン)の出力も繋げるとさらに便利になります。
そこで、[接続&切替ボックス]を計画しました。スイッチとジャックなどを組み合わせればよいので簡単に作ることができそうです。
しかし、最初は自作を考えましたが、単純なセレクター機能されあれば良いので「販売されている製品が使えるかも知れない」ということに気づき探してみることにしました。
セレクターを購入してみた
ヘッドホンやスピーカー用のセレクターなどをWEBで探してみました。見つかったのが下記の製品です。
Amazonで、オーディオ・セレクターとして販売されていました。
「電源不要 極小サイズのヘッドフォン イヤフォン、MP3 ミニオーディオスイッチャー/セレクター for スマートフォン」という商品です。
このセレクターは、入力4つと出力4つの接続端子が全てφ3.5mmミニジャックになっています。入力【IN】は4系統切り替えられる上、出力【OUT】は4系統(同時出力)あります。
入力と出力を逆に使えば、考えているセレクターとして使えることがわかったので、さっそく購入しました。

ミニオーディオスイッチャー/セレクター
極小サイズ、電源不要のヘッドフォン/イヤフォンセレクターです。
サイズ:9.5cmX 6.5cmX 2.8cm ジャック径/3.5mm
セット内容:本体×1、3.5ステレオジャック×4 、出力3.5ステレオジャック×4
AUXケーブルが4本付属します。
4入力4出力、お好み音源ソースを4つのチャンネルからセレクトすると接続したヘッドフォン(最大4台)から選択した音源が再生されます。
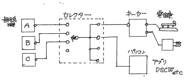
キーヤーと無線機の接続イメージ
無線機とセレクター、キーヤー間の接続は下記の様なイメージです。
無線機は4台までつないで切替が出来ます。各無線機の「KEY」端子に接続します。
セレクターの入力側は全部つながっているので、必要な機器をジャックに差し込めば、何時でもどのキーでもつかえるはずです。

keyer切替図
無線機とセレクター 間
キーヤーとセレクター間
パソコンとセレクター間は、全て両端がφ3.5mmミニジャックのオーディオケーブル。
まとめ:電鍵と無線機を切替えるにはセレクターが必要!
今回は、自作の予定でしたが、ちょうど考えていた回路の商品が販売されていたので、購入ですませました。
外観も自作では出来ない優れたスマートな形状ですし、費用もほとんど変わりません。
参考に販売先をご紹介しておきます。この製品にはカラフルなケーブルが4本も付いてきました。
この商品はおすすめできます。










